Model 8322
RS-232 to RS-422/485
Interface Converter
Reference Manual
0315-0258 Rev. C
Printed 11.30.06
Table of Contents
1.0 Introduction
1.1 Overview
1.2 RS-422
1.3 RS-485
2.0 Operating Modes
2.1 RS-422 Operation
2.1.1 Block Diagram
2.1.2 RS-422 Four Wire Connection
2.2 RS-485 Operation
2.2.1 Block Diagram
2.2.2 RS-485 Four-Wire Connection
2.2.3 RS-485 HDX Operation Mode
3.0 Connection/Cabling
3.1 RS-422
3.2 RS-485 6
3.3 DIN Rail Mounting
4.0 Switch Settings
4.1 DIP Switches
4.1.1 RS-422 8
4.1.2 RS-485 Settings
4.2 Switches and Their Functions (RS-422 & RS-485)
4.3 Default Factory settings (RS-485 operation)
5.0 Specifications
1.0 Introduction
1.1 Overview
The Model 8322 RS-232 to RS-422/RS-485 Interface Converter allows
information exchange in full or half-duplex mode over two twisted pair cables. Dip
switches are used to select RS-232 to RS422 or RS-232 to RS-485 operating modes.
The unit may be mounted on our DIN rail system.
The Model 8322 has one RS-232 I/O configured in DCE mode enabling
the reception of data circulating on the receive pair (RS-422 or RS-485 side) or
the transmission of data towards the RS-422 or RS-485 transmit pair.
Important: Both RS-422 and RS-485 links require a cable with at least two
twisted pairs, nominal impedance of 120 ohms and general shielding. The use of a
cable with different characteristics can lead to unreliable operation, especially in
case of high data rates and long distance.
1.2 RS-422
The RS-422 settings allow information exchange in full-duplex mode.
The RS-422 standard relates to the electrical characteristics of the generators
and receivers used in a point-to-point system with symmetrical or balanced
digital signals.

1.3 RS-485
The RS-485 settings allow information exchange in half-duplex mode.
Because this also utilizes a polling procedure it is also referred to as a
master-slave network. The other stations (slaves) must be in stand-by mode, which
corresponds to a "high impedance" state for each driver. The control of the driver is
generally realized from the RTS signal, although the Model 8322 also allows control
by sampling Transmit Data. This feature is described below in section 2.0,
Operating Modes. The control of the devices in RS-485 mode requires multipoint
software with polling sequences. The secondary stations controlled by the master
station cannot transmit data unless they are selected.

2.0 Operating Modes
2.1 RS-422 Operation
2.1.1 Block Diagram

In RS-422 mode, the Model 8322 provides opto isolation between the
RS-232 interface and the RS-422 line by the use of optical couplers. The transmit
data from the RS-232 port is sent over the RS-422 line where it is received by the
far end RS-422 receiver.
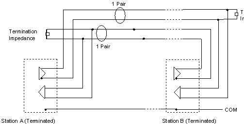
2.1.2 RS-422 Four-Wire Connection
 The principle of an RS-422 four-wire link is based upon the use of
independent transmission and reception circuits. Each link requires a termination load
on the receiving end. Each Model 8322 located at the end of the link allows
the insertion of this 120-ohm termination (RS-422 Standard).
2.2 RS-485 Operation
2.2.1 Block Diagram

In RS-485 mode, the Model 8322 provides opto isolation between the
RS-232 interface and the RS-485 line by the use of optical couplers. The transmit
data from the RS-232 port can be sent over the RS-485 line only if the RS-485
driver is in active mode. This active mode can be initialized either by activation of
the RTS signal from the RS-232 port or by detection of transitions on the
transmit data lead (Pin 2 TD). This feature enables the Model 8322 adapter to support
the XON/XOFF flow control from equipment using only the TD, RD and GND.
2.2.2 RS-485 Four-Wire Connection

The principle of four-wire connection (two twisted pairs) enables the
management of up to 32 peripheral devices. The principle of an RS-485 four-wire link is
based upon the use of independent transmission and reception circuits. Each link
requires a terminating load on the ends of the cable. Each Model 8322 includes a
switch-selectable termination. Those units, which are located at the ends of the
cable, should have this 120-ohm termination (RS-485 Standard) selected.
The intermediate secondary stations can use a balancing termination
by connecting a "pull-up" resistor to the negative line side of the bus and a
"pull-down" resistor to the positive side of the bus, thereby forcing a zero condition
on the line. The secondary station transmission circuits present the
characteristic of operating in three-state mode, a high-impedance state during the idle
period (period of non data transfer).
The sending of data from one station can be initiated by the incoming RTS
signal (Pin 4) on the RS-232 side going active, or by internal generation of a
data received signal on the RS-232 side. This second method, controlled by
a microprocessor, enables the use of the Model 8322 converter with a
simple three-wire RS-232 connection and XON/XOFF flow control.
2.2.3 RS-485 HDX Operation Mode
The lack of a control circuit on the RS-232 side requires that the Model 8322
take control of managing the driver for transmission of data towards the RS-485
line. Detecting a start bit sets off the driver immediately (t0), remaining active until
a half-bit following the last stop bit. If a new start bit is detected during t2 time,
the driver is kept active until the next character and so on. The internal
microprocessor controls the t0 and t2 times in accordance with the transmission
parameters indicated by the user via the S1 DIP switch (see section 4.1.2,
RS-485 Settings, DIP Switch S1).

3.0 Connection/Cabling
3.1 RS-422
RS-232 I/O (DCE mode)

Four-Wire RS-422 I/O


3.2 RS-485
RS-232 I/O (DCE mode)

Four-Wire RS-485 I/O


3.3 DIN Rail Mounting
Top View:
 Front View :

4.0 Switch Settings
4.1 DIP Switches
The Model 8322 incorporates a micro-controller to manage the host protocols
of the interface. Many of the parameters controlling the micro are established
via DIP switches, including the selection of RS-422 or RS-485 operation. Some
of these settings are marked mandatory and should not be changed. Other
switches that are user-selectable are appropriately marked by an X.
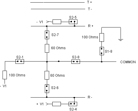
4.1.1 RS-422 Settings
DIP Switch S1 :
 DIP Switch S2 :

DIP Switch S3
Dip switch S3 settings are in mandatory position for FDX operation
mode: 00000100.
4.1.2 RS-485 Settings
 DIP Switch S2:

DIP Switch S3
Generally the use of an RS-485 interface implies
controlling the Half-duplex operation mode. The DIP switch block S1
enables the selection of the operating mode and data transmission
characteristics needed by the microprocessor in detecting and managing
the active phases of the RS-485 transceiver (see section 2.2.3, RS-485
HDX Operation Mode).
Transmitter Configuration
S3-1 to S3-3 Baud Rate, S3-4 to S3-5 Byte Format
|
SPEED |
S3-1 |
S3-2 |
S3-3 |
|
300bps |
0 |
0 |
0 |
|
600bps |
1 |
0 |
0 |
|
1200bps |
0 |
1 |
0 |
|
2400bps |
1 |
1 |
0 |
|
4800bps |
0 |
0 |
1 |
|
9600bps |
1 |
0 |
1 |
|
19200bps |
0 |
1 |
1 |
|
38400bps |
1 |
1 |
1 |
|
FORMAT |
S3-4 |
S3-5 |
|
7 bits, 1
stop, no parity |
0 |
0 |
|
7 bits, 1
stop, with parity |
1 |
0 |
|
7 bits, 2
stops, no parity |
1 |
0 |
|
7 bits, 2
stop, with parity |
0 |
1 |
|
8 bits, 1
stop, no parity |
1 |
0 |
|
8 bits, 1
stop, with parity |
0 |
1 |
|
8 bits, 2
stop, no parity |
0 |
1 |
|
8 bits, 2
stop, with parity |
1 |
1 |
- S3-6 : OFF (ON : not allowed)
- S3-7 : OFF (ON : not allowed)
- S3-8 : OFF (ON : not allowed)
4.2 Switches and Their Functions (RS-422 & RS-485)

4.3 Default Factory settings (RS-485 operation)
Master Mode (dark areas show switch position)



5.0 Specifications
Interfaces: Switch selectable RS-422 or RS-485
RS-232 (V.24) and four-wire RS-422 (EIA)/V28 (CCITT)
RS-232 (V.24) and four-wire RS-485 (EIA)/V28 (CCITT)
RS-422: Serial Asynchronous, FDX
RS-485: Serial Asynchronous, HDX mode (With/without RTS signal)
RS-422: Transparent to 115.2 KBPS
RS-485: Transparent to 38,400 BPS
Transmission Code: Transparent
Isolation: Via Opto-Couplers
Power: 115 VAC, 60 Hz standard, 230 VAC, 50 Hz optional
Consumption: 2.5 W Maximum
Dimensions: 3.1" x 1.57" x 3.35" (79 x 40 x 85mm)
Operating Temperature 0° to 70°C
Storage Temperature -20° to 70°C
Humidity 10% to 90%. No condensation.
If any assistance is required please visit our
Technical Support
Center.
Telebyte warrants the equipment to be free from defects in material and workmanship, under normal and proper use and in its unmodified condition, for 12 months, starting on the date it is delivered for use. TELEBYTE's sole obligation under this warranty shall be to furnish parts and labor for the repair or replacement of products found by TELEBYTE to be defective in material or workmanship during the warranty period. Warranty repairs will be performed at the point of manufacture. Equipment approved for return for warranty service shall be returned F.O.B. TELEBYTE factory and will be redelivered by TELEBYTE freight prepaid, except for non- continental U.S.A. locations. These deliveries will be sent COD freight and import/export charges.
THE ABOVE WARRANTY IS IN LIEU OF ALL OTHER WARRANTIES, EXPRESSED OR IMPLIED, STATUTORY OR OTHERWISE, INCLUDING ANY IMPLIED WARRANTY OF MERCHANTABILITY OR FITNESS FOR A PARTICULAR PURPOSE. TELEBYTE SHALL NOT BE LIABLE FOR ANY DAMAGES SUSTAINED BY RESELLER OR ANY OTHER PARTY ARISING FROM OR RELATING TO ANY EQUIPMENT FAILURE, INCLUDING, BUT NOT LIMITED TO CONSEQUENTIAL DAMAGES NOR SHALL TELEBYTE HAVE ANY LIABILITY FOR DELAYS IN REPLACEMENT OR REPAIR OF EQUIPMENT.
Out of warranty equipment may be returned to the Greenlawn, NY customer service facility prepaid as described above. Return shipping charges will be billed to the customer. The repaired unit will have a 90 day warranty. In those cases where "NO TROUBLE" is found, a reduced charge will be billed to cover handling, testing and packaging.
Whether in or out of warranty a Return Material Authorization number (RMA) is necessary
and can be obtained by visiting our
Technical Support
Center.
Reference RMA number on the outside container.
|